唐人阁论坛2025_品茶qm论坛官网_全国同城凤凰楼免费茶楼300元_群狼谷全国论坛

首页 > 产品中心 > 配电及工控用户 > 双电源自动转换开关(PC级) > RDH5DS系列双电源自动转换开关
人民电器RDH5DS系列双电源自动转换开关
人民电器RDH5DS系列双电源自动转换开关
人民电器RDH5DS系列双电源自动转换开关
人民电器RDH5DS系列双电源自动转换开关
人民电器RDH5DS系列双电源自动转换开关

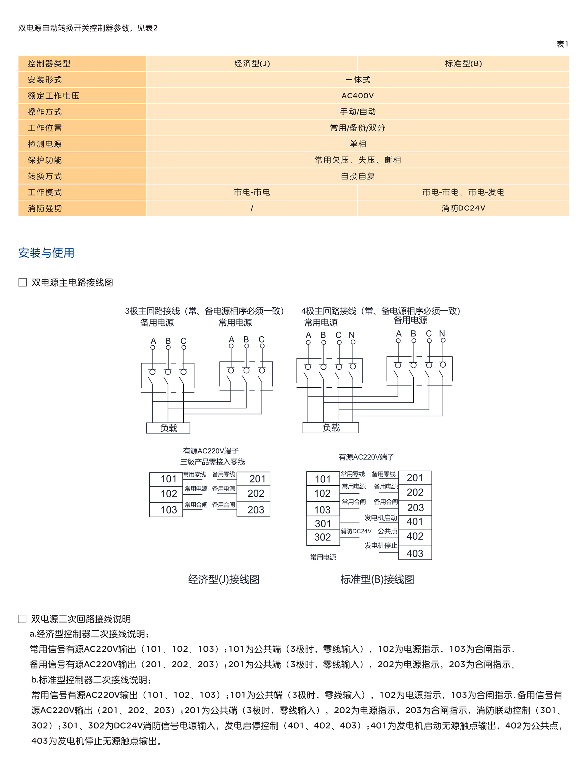
RDH5DS系列双电源自动转换开关

RDH5DS双电源自动转换开关(ATSE),是集开关与逻辑控制于一体、真正实现机电一体化的新型自动转换开关;它适用于交流50Hz、额定电压AC400V、约定发热电流630A以下的供电系统,具有电源检测、保护、电气机械互锁等功能;可实现全自动、强置"0"、紧急手动等操作,广泛应用于供电系统,将负载电路从一个电源自动换接至另一个(备用)电源的开关电器,以确保重要负荷连续、可靠运行及安全隔离等??赜煽刂葡呗钒宸⒊龈髦致呒罟芾淼缁?,由电机带动开关主体部分的操作机构,快速地接通与分断电路或...
服务热线:400 898 1166
产品选型 解决方案 联系我们
咨询热线

咨询热线

在线客服
公众号

关注人民电器公众号 了解集团最新资讯